详细介绍
预埋件(连接护舷与码头)
1.新建码头预埋件

规格型号 | 螺栓 | 预埋螺母,地角板,地脚杆 | 垫片 | |||||||||||||||
D | H | J | S | e | a | b | L | T | G | m | N | n | P | Q | U | R | V | |
CT600 | 24 | 15 | 65 | 55 | 36 | 65 | 100 | 300 | 10 | 70 | 65 | 19 | 85 | 33 | 47 | 5 | 15 | 28 |
CT700 | 30 | 19 | 85 | 70 | 42 | 75 | 120 | 360 | 10 | 80 | 75 | 19 | 95 | 37 | 53 | 5 | 15 | 34 |
CT800 | 36 | 23 | 90 | 75 | 44 | 85 | 125 | 440 | 12 | 90 | 85 | 24 | 106 | 40 | 60 | 6 | 15 | 40 |
CT900 | 36 | 23 | 90 | 75 | 44 | 85 | 125 | 440 | 12 | 90 | 90 | 28 | 115 | 40 | 69 | 6 | 25 | 40 |
CT1000 | 42 | 26 | 100 | 80 | 60 | 85 | 130 | 500 | 12 | 100 | 95 | 28 | 126 | 43 | 77 | 6 | 25 | 46 |
CT1100 | 42 | 26 | 100 | 80 | 60 | 85 | 130 | 500 | 12 | 100 | 95 | 28 | 134 | 43 | 85 | 6 | 25 | 46 |
CT1200 | 42 | 26 | 110 | 80 | 60 | 95 | 140 | 500 | 12 | 110 | 105 | 31 | 144 | 46 | 92 | 6 | 30 | 46 |
CT1300 | 48 | 30 | 120 | 95 | 65 | 100 | 150 | 570 | 12 | 115 | 115 | 31 | 158 | 52 | 100 | 6 | 30 | 52 |
2.维修码头

规格型号 | MD | 螺母 | 垫片 | 数值螺栓 | ||||||||
H | m | N | n | P | U | V | R | a | L | A | ||
CT600 | M24 | 22 | 65 | 20 | 80 | 28 | 5 | 28 | 15 | 55 | 280 | 30 |
CT700 | M30 | 26 | 80 | 20 | 93 | 33 | 5 | 34 | 15 | 65 | 360 | 38 |
CT800 | M30 | 26 | 85 | 24 | 102 | 35 | 5 | 34 | 15 | 70 | 360 | 38 |
CT900 | M30 | 26 | 90 | 24 | 111 | 35 | 6 | 34 | 15 | 75 | 360 | 38 |
CT1000 | M36 | 30 | 100 | 26 | 126 | 43 | 6 | 40 | 25 | 90 | 440 | 46 |
CT1100 | M42 | 34 | 100 | 26 | 134 | 43 | 6 | 46 | 25 | 95 | 510 | 55 |
CT1200 | M42 | 34 | 105 | 31 | 144 | 43 | 8 | 46 | 25 | 105 | 510 | 55 |
CT1300 | M48 | 38 | 115 | 31 | 158 | 50 | 8 | 52 | 30 | 115 | 600 | 60 |
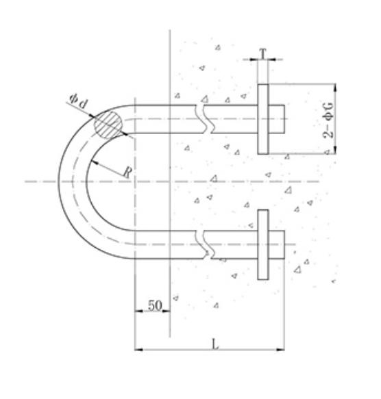
U型环

规格型号 | d | R | L | T | G |
CT600 | 55 | 90 | 730 | 20~30 | 120 |
CT700 | 55 | 90 | 730 | 20~30 | 120 |
CT800 | 55 | 90 | 730 | 20~30 | 120 |
CT900 | 60 | 100 | 780 | 25~35 | 140 |
CT1000 | 60 | 100 | 780 | 25~35 | 140 |
CT1100 | 60 | 100 | 780 | 25~35 | 140 |
CT1200 | 65 | 105 | 830 | 25~35 | 150 |
CT1300 | 65 | 105 | 830 | 25~35 | 150 |
链条

规格型号 | 卸扣 | 链环 | 螺旋扣 |
CT600 | M25 | Ø25 | M36 |
CT700 | M32 | Ø28 | M39 |
CT800 | Ø32 | M42 | |
CT900 | M36 | Ø34 | M45 |
CT1000 | M38 | Ø36 | M48 |
CT1100 | |||
CT1200 | M42 | Ø40 | M56 |
CT1300 |
弹簧链

规格型号 | 卸扣 | 链环 | 链环框架 | 螺旋扣 |
CT600 | M22 | Φ20 | M30 | M30 |
CT700 | M25 | Φ25 | M30 | M36 |
CT800 | M32 | Φ28 | M36 | M39 |
CT900 | M32 | Φ32 | M42 | |
CT1000 | M30 | Φ30 | M42 | M45 |
CT1100 | M30 | Φ30 | M42 | M48 |
CT1200 | M34 | Φ34 | M48 | M56 |
CT1300 | M36 | Φ36 | M48 | M56 |

